Search found 241 matches


by Las Vegas Jukebox
Wed Jun 24, 2015 8:48 pm
Forum: Jukeboxes
Topic: Seeburg HF100R Speakers
Replies: 3
Views: 304

Re: Seeburg HF100R Speakers

Thanks Rob, great info.
by Las Vegas Jukebox
Wed Jun 24, 2015 6:13 am
Forum: Jukeboxes
Topic: Seeburg HF100R Speakers
Replies: 3
Views: 304

Seeburg HF100R Speakers

I have a customer who wants to put NEW base speakers in his HF100R.
He's not bothered about original speakers and he would prefer something "off-the-shelf" that doesn't cost too much.
What would be his best option for replacing the two 12" woofers?
Thanks.
by Las Vegas Jukebox
Mon May 11, 2015 6:55 pm
Forum: Jukeboxes
Topic: Seeburg HF100R Free Play
Replies: 7
Views: 546

Re: Seeburg HF100R Free Play

Thanks Ron,
I intended to say pin-bank, honest!
The problem with the lamp is certainly the center pin. I have some D5 and will try that.
by Las Vegas Jukebox
Mon May 11, 2015 12:55 am
Forum: Jukeboxes
Topic: Seeburg HF100R Free Play
Replies: 7
Views: 546

Re: Seeburg HF100R Free Play

Update, The light in question came on. While it was on it was flickering a little. Now it has gone off again - correction, the bulb is lit, but very very dimly. At one point I thought it had something to do with the "select" lamps, as it seemed to brighten when I move the cables to those l...
by Las Vegas Jukebox
Sun May 10, 2015 11:19 pm
Forum: Jukeboxes
Topic: Seeburg HF100R Free Play
Replies: 7
Views: 546

Re: Seeburg HF100R Free Play

Thanks Ron, As usual you were spot-on. I have had that connector on and off about a dozen times and I never noticed that there was a fine piece of wire wrapped around pins 1 and 5. Removing it did the trick. The only problem I have now is that the left-side lamp, on the record rack covers, isn't wor...
by Las Vegas Jukebox
Sun May 10, 2015 3:32 am
Forum: Jukeboxes
Topic: Seeburg HF100R Free Play
Replies: 7
Views: 546

Re: Seeburg HF100R Free Play

All down, Ron.
by Las Vegas Jukebox
Sat May 09, 2015 11:41 pm
Forum: Jukeboxes
Topic: Seeburg HF100R Free Play
Replies: 7
Views: 546

Seeburg HF100R Free Play

I know this question is like asking, "how long is a piece of string", but here goes. I have a HF100R set to "free play" and I want to change it back to coin operation. All the coin gear is present and connected. No free play adapter plug is in use. Selection solenoid and selectio...
by Las Vegas Jukebox
Sat May 02, 2015 7:01 pm
Forum: Jukeboxes
Topic: Seeburg VL-200 Drum Fluorescent
Replies: 4
Views: 390

Re: Seeburg VL-200 Drum Fluorescent

Thanks Rob, I will try and follow that and see how I get on.
Ron, you are probably right about the manual. I only have the service manual, and there is no mention in there how to remove the drum. It only tells you how to align it.
by Las Vegas Jukebox
Sat May 02, 2015 5:19 am
Forum: Jukeboxes
Topic: Seeburg VL-200 Drum Fluorescent
Replies: 4
Views: 390

Seeburg VL-200 Drum Fluorescent

I usually find that jukebox manufacturers make it really easy to replace lamps etc. Generally it is not something you need to consult the manual for. However, I am left scratching my head when it comes to replacing the drum lamp in my VL-200 and after looking at the manual I am no nearer.
by Las Vegas Jukebox
Wed Mar 11, 2015 11:49 pm
Forum: Jukeboxes
Topic: Seeburg 222 - Finding lost screws.
Replies: 5
Views: 393

Re: Seeburg 222 - Finding lost screws.

So, I guess what you are saying is that those panels weren't made to come-off "easily"?
by Las Vegas Jukebox
Wed Mar 11, 2015 11:32 pm
Forum: Jukeboxes
Topic: Seeburg 222 - Finding lost screws.
Replies: 5
Views: 393

Re: Seeburg 222 - Finding lost screws.

Thanks Ron,

I had considered 2 & 3, but thought that if they could be removed without too much dismantling it would be a good time to clean out the sh1t.
by Las Vegas Jukebox
Wed Mar 11, 2015 10:02 pm
Forum: Jukeboxes
Topic: Seeburg 222 - Finding lost screws.
Replies: 5
Views: 393

Seeburg 222 - Finding lost screws.

I have a Seeburg 222 which is missing a dozen or so screws, mainly from behind the selector unit. I have a suspicion that they have fallen down the holes on the inside edges of the jukebox. Unfortunately, these holes don't go through to the inside of the jukebox, but appear to lead to a cavity betwe...
by Las Vegas Jukebox
Wed Feb 11, 2015 1:45 am
Forum: Jukeboxes
Topic: Philips CD-Pro 2 Player - Optical Laser Pick-up
Replies: 3
Views: 523

Re: Philips CD-Pro 2 Player - Optical Laser Pick-up

Thanks, I think I'm getting there.
by Las Vegas Jukebox
Tue Feb 10, 2015 3:23 am
Forum: Jukeboxes
Topic: Philips CD-Pro 2 Player - Optical Laser Pick-up
Replies: 3
Views: 523

Philips CD-Pro 2 Player - Optical Laser Pick-up

Hi all, I am looking for a source to purchase Optical Laser Pick-ups for the Philips CD-Pro 2 Player. I was told by a dealer in Florida that they cost $40, but he wouldn't sell me one. He wanted me to send him my player and he would install one for me for $85. He said, it was because too many people...
by Las Vegas Jukebox
Fri Feb 06, 2015 9:05 pm
Forum: Jukeboxes
Topic: Rock-Ola 490 Turntable Motor Running
Replies: 4
Views: 383

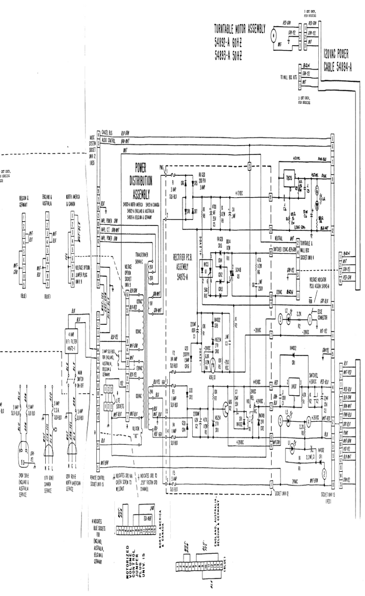
Re: Rock-Ola 490 Turntable Motor Running

This is the page that covers it.

R490.jpg
(314.29 KiB) Not downloaded yet
It is currently Thu Oct 06, 2016 7:30 am