Seeburg 222 now with a Whoop Whoop sound

Q&A about all types of jukeboxes: Wurlitzer, Seeburg, Rock-Ola, AMI, and more.



Topic author
jimmac
Junior Member
Posts: 24
Joined: Wed Jul 02, 2014 2:45 pm
Location: Newark, Ohio, USA

Seeburg 222 now with a Whoop Whoop sound

by jimmac » Mon Jul 06, 2015 1:35 am

So my Seeburg 222 has been on the bench for quite sometime and working really well out of the cabinet. Sounds decent with no unusual noises other then a click or two now and then. I had some time this weekend and got the cabinet cleaned up pretty well so I decided to move the amp, keys, and mechanism into the cabinet. Hooked everything up and when I play a selection I'm getting a whoop, whoop sound as the needle touches record. If I lift the needle while playing I can hear the whoop whoop again as if it is in sync with the spinning motor. Not sure why I'm picking this noise up now as all the connections are the same I believe. ideas of how to trouble shoot appreciated. Thanks.

User avatar

MattTech
Senior Member
Posts: 1461
Joined: Tue Apr 29, 2008 7:38 am
Location: Philadelphia Pa USA - Home Electronics - Service Technician

Re: Seeburg 222 now with a Whoop Whoop sound

by MattTech » Mon Jul 06, 2015 1:42 am

Possible lead dress issue.
The Internet is a marvelous thing, however it's not a good substitute for actually being there.


Rob-NYC
Senior Member
Posts: 1844
Joined: Sun Sep 25, 2011 3:05 am
Location: Manhattan, NYC USA

Re: Seeburg 222 now with a Whoop Whoop sound

by Rob-NYC » Mon Jul 06, 2015 5:38 am

It sounds like a form of 'motorboating". this is usually due to inadequate decoupling caused by old electrolytic capacitors. If components in a feedback loop have be radically altered it can happen there as well.

Has the amp been rebuilt? If not, --do not try to use it until it is--. These amps use fixed bias to set the operating point for the output tubes. If that supply fails or is overridden by leakage from a previous stage's bad capacitors, it can kill the output tubes and, sometimes, the output transformers.

If the amp has been rebuilt with all coupling capacitors replaced and voltages checked there are tests we can go over to narrow the problem.

Rob-NYC
"If we believe absurdities, we shall commit atrocities" -- Voltaire


Topic author
jimmac
Junior Member
Posts: 24
Joined: Wed Jul 02, 2014 2:45 pm
Location: Newark, Ohio, USA

Re: Seeburg 222 now with a Whoop Whoop sound

by jimmac » Mon Jul 06, 2015 12:09 pm

Rob-NYC wrote:
Has the amp been rebuilt? If not, --do not try to use it until it is--.

If the amp has been rebuilt with all coupling capacitors replaced and voltages checked there are tests we can go over to narrow the problem.

Rob-NYC


Rob, yes amp has all new caps, and the main voltages were checked when on the bench, sounded good. motor boat is a good description. but now that I think of it, when on the bench I had it plugged into a variable transformer, so the incoming voltage could be a bit higher now. I'll put it back this evening to see if this is the cause.


Topic author
jimmac
Junior Member
Posts: 24
Joined: Wed Jul 02, 2014 2:45 pm
Location: Newark, Ohio, USA

Re: Seeburg 222 now with a Whoop Whoop sound

by jimmac » Mon Jul 06, 2015 12:18 pm

MattTech wrote:Possible lead dress issue.


Matt, I'll try moving cables around to see if it'll make a difference, but not a whole lot of options here.


Rob-NYC
Senior Member
Posts: 1844
Joined: Sun Sep 25, 2011 3:05 am
Location: Manhattan, NYC USA

Re: Seeburg 222 now with a Whoop Whoop sound

by Rob-NYC » Mon Jul 06, 2015 3:35 pm

Jim, what I meant by voltages is that they might be low -not high. A 20% variable won't matter in this sort of circuit anyway.

Have the electrolytic caps been replaced too? It often is not necessary as the originals were good American products (from when such things mattered) however, that motorboating is typical of inadequate isolation of the high gain stages from the power amplifier stages.

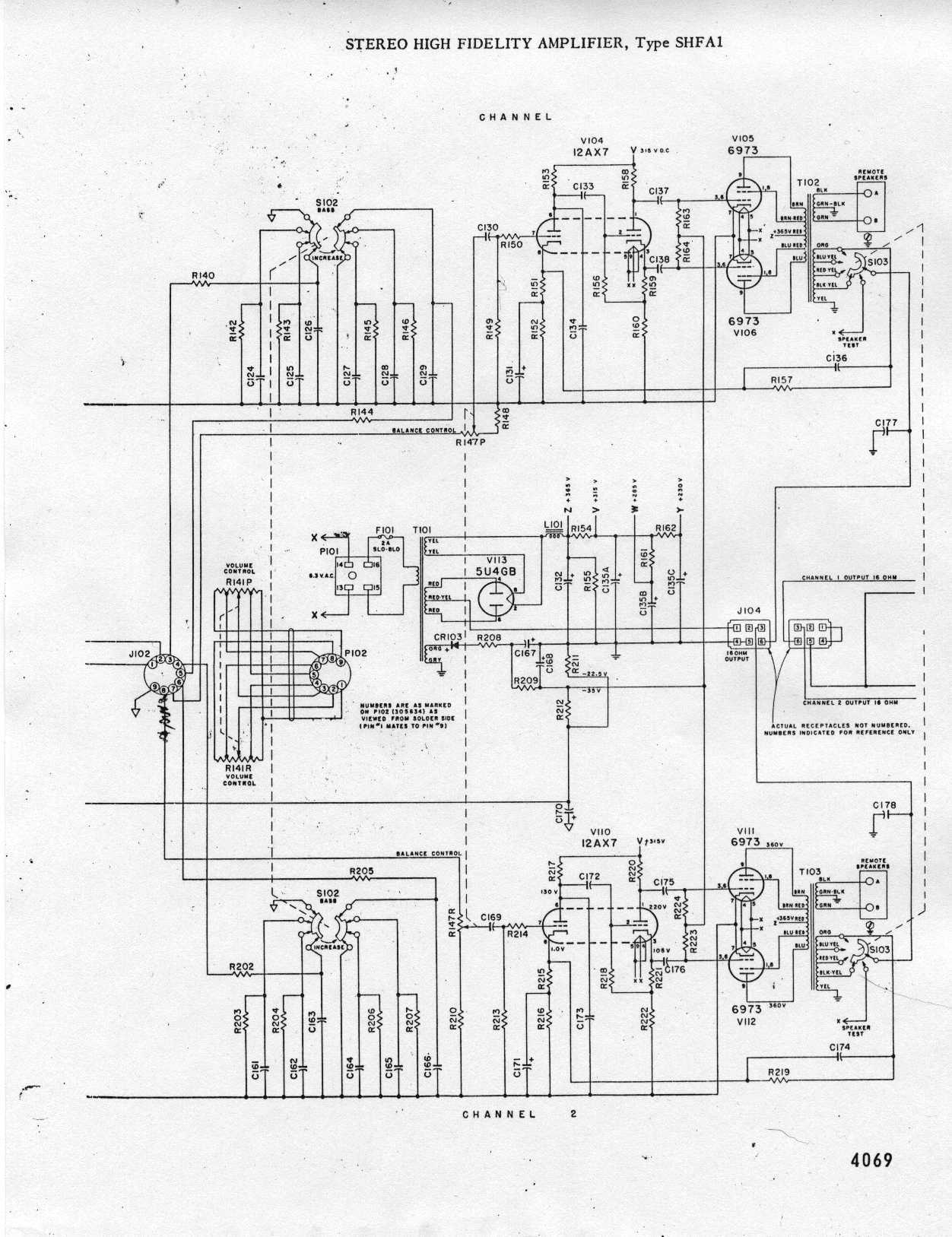
Looking at this schematic of the SHFA-1:
http://www.verntisdale.com/schem/shfa1a.jpg We can see the first ( C132) and second filters (C 135 sec-A). If C132 goes open or loses substantial capacity a 120Hz hum is the result. If any sections of C135 go bad those are likely to cause motorboating when the power output section draws power with a signal.

You can temporarily just jump a capacitor across existing sections (to ground) to check of the noise goes away. be careful about voltage and polarity. remember to check the bias-preamp supply caps C167 & c168. I always replaced the diode there as well.

Also try:

Removing the volume control jumper plug. This disconnects the stages prior to the power stage.

One SHFA-2 amp that I bought had been rebuilt by some 'expert" and was shipped back to him when it displayed very low gain and motorboating. he sent it back claiming a "bad output tran".. The owner didn't want to spend what was involved so he sold it to me for $10. The "expert" had replaced the feedback resistor with one that was a tenth of the proper impedance. There was another incorrect resistor in there but it would not have caused the oscillation. That amp is on location for 16+ years now.

The bottom line is: Check and double check the values of any part you replace and in-general, don't go overboard in replacing resistors. One of the best ways to test plate resistors in-circuit: After caps are done, power-up with --known good-- tubes and check the voltages drawn through the resistors in question.

Rob
"If we believe absurdities, we shall commit atrocities" -- Voltaire


Ron Rich
Forum Moderator
Posts: 8193
Joined: Sun May 06, 2007 11:31 pm
Location: Millbrae (San Francisco area)CA, USA

Re: Seeburg 222 now with a Whoop Whoop sound

by Ron Rich » Mon Jul 06, 2015 4:01 pm

Jim,
Not being able to hear it, I'm wondering--is this a mechanically induced sound ?
To determine if it is, try the following: Place one hand on the motor, and listen to the sound to see if it corresponds to the "feel" of the motor ?
If so, check that all four suspension nuts are run all the way up, and locked. If so, is the motor coupler good, and correctly installed ?
You can also remove the input plug and see if you still hear it, while playing a record--if so, it is internal to the amp. Ron Rich


Topic author
jimmac
Junior Member
Posts: 24
Joined: Wed Jul 02, 2014 2:45 pm
Location: Newark, Ohio, USA

Re: Seeburg 222 now with a Whoop Whoop sound

by jimmac » Tue Jul 07, 2015 12:34 pm

Ron Rich wrote:Not being able to hear it, I'm wondering--is this a mechanically induced sound ? Thought so
To determine if it is, try the following: Place one hand on the motor, and listen to the sound to see if it corresponds to the "feel" of the motor ? Can't really feel the sound
If so, check that all four suspension nuts are run all the way up, and locked. If so, is the motor coupler good, and correctly installed ? yes
You can also remove the input plug and see if you still hear it, while playing a record--if so, it is internal to the amp. Yup, darn its the amp Ron Rich


So how did moving the amp 15 feet from a bench to the cabinet cause an amp oscillation? I'll have to try Rob's suggestions this weekend when I have time to take it apart again. More fun ! Thanks for the help guys. I'll post the sound file if I can ever get this Surface RT to attach files


Ron Rich
Forum Moderator
Posts: 8193
Joined: Sun May 06, 2007 11:31 pm
Location: Millbrae (San Francisco area)CA, USA

Re: Seeburg 222 now with a Whoop Whoop sound

by Ron Rich » Tue Jul 07, 2015 4:18 pm

Jim,
I'll answer you last question, just as soon as you answer this one:
Howcomizit "stuff " happens ?? :lol: :roll: Ron Rich


Topic author
jimmac
Junior Member
Posts: 24
Joined: Wed Jul 02, 2014 2:45 pm
Location: Newark, Ohio, USA

Re: Seeburg 222 now with a Whoop Whoop sound

by jimmac » Wed Jul 08, 2015 2:37 am

Following Rob's hum files storage method, here is a "beat" file or I called it whoop.
Windows sound recorder just does not do it justice.

http://www.fileconvoy.com/dfl.php?id=gf ... 1d34e2daf8


Ron Rich
Forum Moderator
Posts: 8193
Joined: Sun May 06, 2007 11:31 pm
Location: Millbrae (San Francisco area)CA, USA

Re: Seeburg 222 now with a Whoop Whoop sound

by Ron Rich » Wed Jul 08, 2015 5:01 am

That sounds like what my brothers late dog, was doing, after she managed to open the refrigerator one night, and stole a whole ham--
Izzat on both channels ?? If so, sounds like power supply c(r)ap ?? Ron Rich


Rob-NYC
Senior Member
Posts: 1844
Joined: Sun Sep 25, 2011 3:05 am
Location: Manhattan, NYC USA

Re: Seeburg 222 now with a Whoop Whoop sound

by Rob-NYC » Wed Jul 08, 2015 5:04 am

AGC oscillating. Try removing the 6BJ6 tubes. I have to admit, that is new sound from a jukebox. Most likely that is due to a faulty or disconnected AGC time constant cap. It is a 1 MFD (C115).

If the sound occurs only on one channel check the feedback resistors in the output stage for that channel.

Check the position of the drift pins that couple the two units. We had a case a few months back where one pin was shorting a voltage when the two units were coupled.

Also, be sure to replace the C- (Bias) diode and filter.

This is straight-forward.

Rob

PS: Does the volume control vary the noise?
Last edited by Rob-NYC on Wed Jul 08, 2015 8:50 am, edited 1 time in total.
"If we believe absurdities, we shall commit atrocities" -- Voltaire

User avatar

MattTech
Senior Member
Posts: 1461
Joined: Tue Apr 29, 2008 7:38 am
Location: Philadelphia Pa USA - Home Electronics - Service Technician

Re: Seeburg 222 now with a Whoop Whoop sound

by MattTech » Wed Jul 08, 2015 5:06 am

After lisening to that audio file, it sounds like motorboating.
And could be caused by ANYthing.
Have it serviced professionally..... properly.
The Internet is a marvelous thing, however it's not a good substitute for actually being there.


Ron Rich
Forum Moderator
Posts: 8193
Joined: Sun May 06, 2007 11:31 pm
Location: Millbrae (San Francisco area)CA, USA

Re: Seeburg 222 now with a Whoop Whoop sound

by Ron Rich » Wed Jul 08, 2015 5:10 am

To add to Rob's suggestion to check the "alignment pins", also check the lock area--I have seen "things touching" in that area--
Ron Rich


Topic author
jimmac
Junior Member
Posts: 24
Joined: Wed Jul 02, 2014 2:45 pm
Location: Newark, Ohio, USA

Re: Seeburg 222 now with a Whoop Whoop sound

by jimmac » Sun Jul 12, 2015 9:13 pm

Rob & Ron, After looking for the obvious and not finding any issues with guide pins and lock area, it took me about half a day to figure out how to take the amp out and be able to get to the component side without breaking anything while using the cables in the cabinet. So, next I took out the 6bj6's and powered up playing an air record, which promptly developed a very nice hum (if a hum could ever be considered nice) in both Channels. I powered down, and measured Cr1 & Cr2 diodes with meter on diode and resistance settings, which both indicate open of which I was sure had worked on a previous occasion. What is the proper substitute for these diodes ? I've also removed the output tubes for the moment as the hum was not very pleasant and upset the dogs.

Who is online

Users browsing this forum: Yahoo [Bot] and 12 guests

It is currently Thu Oct 06, 2016 10:46 am