Aux input Shfa1 amp

Q&A about all types of jukeboxes: Wurlitzer, Seeburg, Rock-Ola, AMI, and more.



Topic author
Faza1
Regular Member
Posts: 53
Joined: Sun Jun 28, 2015 1:11 pm
Location: Sydney, Australia

Aux input Shfa1 amp

by Faza1 » Thu Aug 13, 2015 12:14 pm

Hope someone can help me out, will be wanting to add an aux MP3 input to my Seeburg 222 when I get to that stage.
I've noticed that the 222s are being sold with auto switching on aux input.
Is this performed using a A/B line input switch?
If so is the signal from the stylus used on A input (default switch is A when no signal on input B)
Any help is appreciated.
Thanks
image.jpg
image.jpg (78.28 KiB) Viewed 286 times


Rob-NYC
Senior Member
Posts: 1844
Joined: Sun Sep 25, 2011 3:05 am
Location: Manhattan, NYC USA

Re: Aux input Shfa1 amp

by Rob-NYC » Thu Aug 13, 2015 1:51 pm

Faza, there are two basic problems; one is the input point and the other is powering the B+ transformer without powering the mech motor.

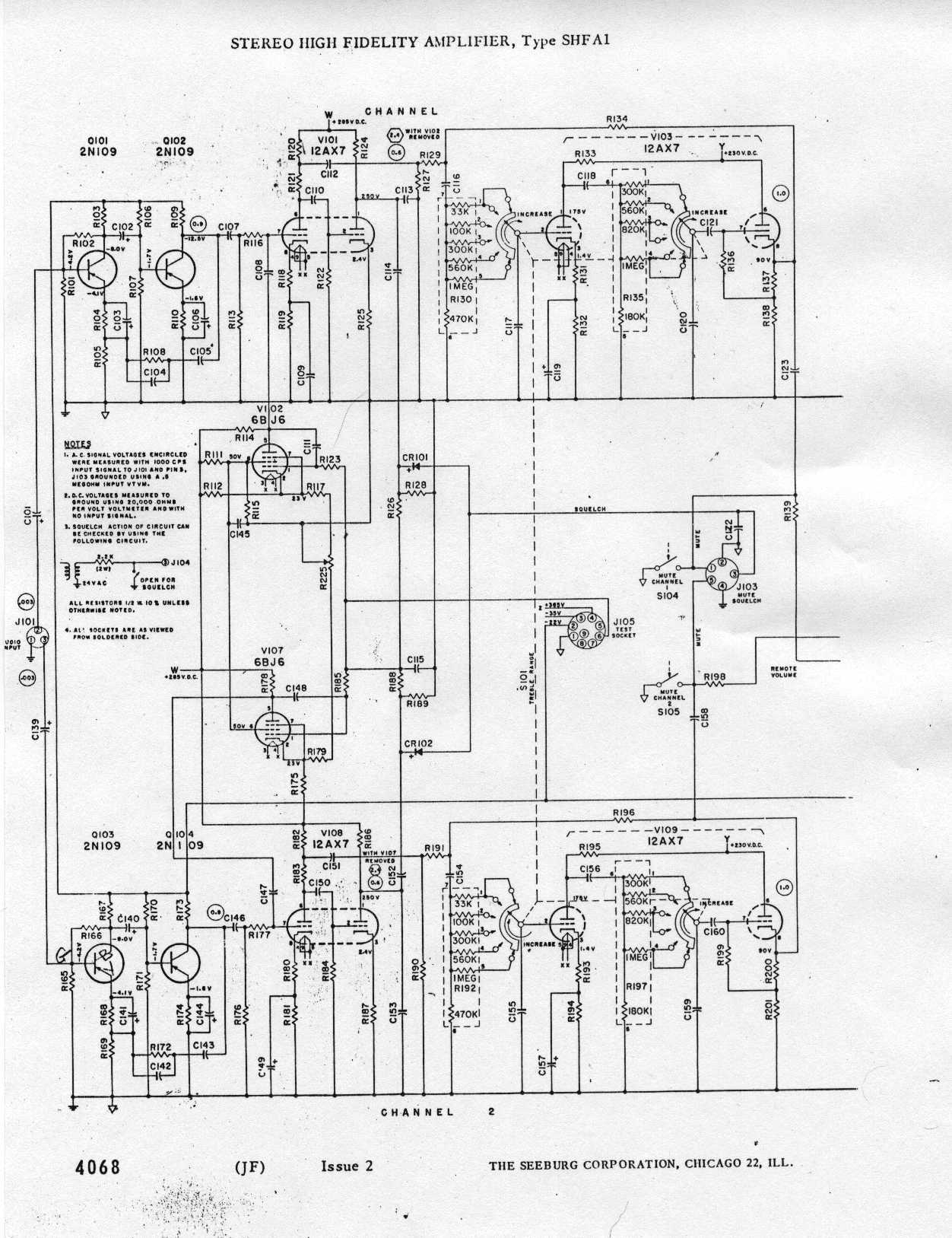
When I bypass the existing preamp with a modern one the input point I use is C107 (top and C146 (bottom) on this schematic: http://www.verntisdale.com/schem/shfa1.jpg If you choose to go in through the pickup input, you'll need to reduce the level and bass on the signal from the MP3 player to a level similar to the cart.

The problem of powering the amp independent of the mech requires connecting the B+ tran's primary to a SPDT switch or relay.


I can pretty much guarantee that the limits of the system will be disappointing compared to what digital audio can produce through modern equipment. Adding a tweeter to each channel will help a bit though.

The people selling these machines with "Pod-Mods" (as i call them) are basically hucksters trying to make a sale to potential clients who probably shouldn't bother buying one if it requires that extent of modification to justify the purchase.

Frankly, I would treat this as what it is, a near 60 year old automatic record player with mediocre pickup and speakers, but which taken as a unit is enjoyable as-is. A better use of your efforts (IMO) would be to incorporate the later tonearm and cart, add an outboard preamp and two horn tweeters. Even just a better preamp and tweeters will make a big improvement.

Rob/NYC

Rob-NYC
"If we believe absurdities, we shall commit atrocities" -- Voltaire


Topic author
Faza1
Regular Member
Posts: 53
Joined: Sun Jun 28, 2015 1:11 pm
Location: Sydney, Australia

Re: Aux input Shfa1 amp

by Faza1 » Sat Aug 15, 2015 1:32 am

Rob
Thanks for the reply, I think I'll concentrate on getting the machine up and going and take it from there.

Who is online

Users browsing this forum: Google Adsense [Bot], Larry Wilson and 13 guests

It is currently Thu Oct 06, 2016 7:56 pm