AY160 revisited

Q&A about all types of jukeboxes: Wurlitzer, Seeburg, Rock-Ola, AMI, and more.



Topic author
SteveFury
Regular Member
Posts: 99
Joined: Wed Aug 21, 2013 7:21 am
Location: Atlanta,Ga,USA

AY160 revisited

by SteveFury » Sun Apr 19, 2015 7:58 am

This is a continuation of the thread here:
viewtopic.php?f=3&t=6869

In summary, The problem is my SHFA4 amp does a strong burst of AM radio thunderstorm sounding static for the first 20 seconds or so of a record lead-in and gradually tapers off. It burst through as the mech releases the mute. Both channels effected, but different in each side.

The amp had been re-capped and out-of-value carbon resistors replaced.
Mute plug can be unplugged and the static can be heard but without the loud burst when the mech un-mutes it.
I trace the static noise just after the 6EU7 preamp tube, after the .05/400 isolation cap (C110 & C133). Strange because I replaced that cap a few times and each time afterwards it seemed "fixed" but would only remain fixed for a short time.
I put a pair of .05/650v tantalum (teardrop) caps for C110 & C133 a few months ago and yet the noise returns.

I believe I have found the offending circuits.
I have disconnected all the inputs and outputs of the AVC circuit and the sound is clean as silk. Wow I can't believe it sounds that good. I am flippin' out. :!:
The 6EU7 AVC tube tests good and I even substituted with another. I have had a fair number of carbon resistors go bad in the Tormat controller, stepper unit and audio amp. They are failing in a lot of places. Given that, I'd like to do a mass replacement/rebuild of the AVC circuit. Does that sound unreasonable? All new resistors, new caps and new diodes.

Is that the sort of repair you would do? This annoying noise is something that has bothered me for such a long time and I just want this project DONE.

Question about the CR's. Can any general purpose diode substitute such as a 1N4004?
Red X's is where I've opened the circuit for beautiful clean sound. But I also want the AVC fixed and put back in circuit.
AUDIO AMP.png
AUDIO AMP.png (126.31 KiB) Viewed 429 times

AVC.jpg
AVC.jpg (180.52 KiB) Viewed 429 times


Ron Rich
Forum Moderator
Posts: 8196
Joined: Sun May 06, 2007 11:31 pm
Location: Millbrae (San Francisco area)CA, USA

Re: AY160 revisited

by Ron Rich » Sun Apr 19, 2015 4:51 pm

Hi Steve,
On the"noise problem", I don't know tube theory as well as I'd like to--this is a strange occurrence to me ? Hopefully someone will chime in here !
On the replacement diodes, I have found the "daisy-chaining" three, in series, "914 signal diodes", for each side of the original, works best for me-- Others have suggested that 1-1N4004 works OK too ? Ron Rich


Topic author
SteveFury
Regular Member
Posts: 99
Joined: Wed Aug 21, 2013 7:21 am
Location: Atlanta,Ga,USA

Re: AY160 revisited

by SteveFury » Wed Apr 22, 2015 7:29 am

Well today I spent about $6 in parts and a couple hours to rebuild my AVC.
Everything was replaced except tube and socket.
The jukebox sounds fantastic and I can hear the AVC adjusting sound on loud records. I really can't believe this, after all this time and trouble.
My parts house didn't have 1N4004 so I used 1N4007 instead. I have no doubt the 4004's would have worked just fine.

Really, this Seeburg has once again became a pride and joy.

Everyone likes photos so here's my work:
AVC2.jpg
AVC2.jpg (283.41 KiB) Viewed 367 times


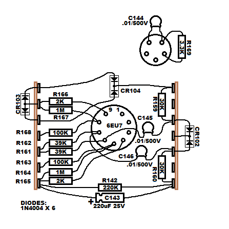
Here's a diagram if it may be helpful for anyone else:
AVC.png
AVC.png (20.89 KiB) Viewed 367 times


Ken Layton
Senior Member
Posts: 292
Joined: Sun Jun 07, 2009 8:06 pm
Location: Olympia, Washington USA

Re: AY160 revisited

by Ken Layton » Wed Apr 22, 2015 6:32 pm

Those original carbon resistors can be very troublesome and become intermittently noisy. It's good that you replaced those with modern ones.


Ron Rich
Forum Moderator
Posts: 8196
Joined: Sun May 06, 2007 11:31 pm
Location: Millbrae (San Francisco area)CA, USA

Re: AY160 revisited

by Ron Rich » Wed Apr 22, 2015 11:28 pm

Hi Ken,
Depends on which "brand" was used--I find the Allen-Bradley, carbons, VERY reliable--Seeburg used several brands, sometimes within one unit--
Ron Rich

Who is online

Users browsing this forum: Google Adsense [Bot] and 10 guests

It is currently Thu Oct 06, 2016 9:41 pm