Looking for Seeburg SQS160 panel

Q&A about all types of jukeboxes: Wurlitzer, Seeburg, Rock-Ola, AMI, and more.



Topic author
pinballsmith
Junior Member
Posts: 3
Joined: Mon Jun 02, 2014 11:03 pm
Location: Prospect Park, PA, USA

Looking for Seeburg SQS160 panel

by pinballsmith » Mon Jun 02, 2014 11:05 pm

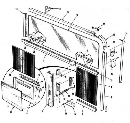
Looking for a panel for my seeburg SQS160 quad. It's number 6 in this picture. Thanks.
Attachments
page14sqs160.jpg
page14sqs160.jpg (35.12 KiB) Viewed 238 times


Ron Rich
Forum Moderator
Posts: 8196
Joined: Sun May 06, 2007 11:31 pm
Location: Millbrae (San Francisco area)CA, USA

Re: Looking for Seeburg SQS160 panel

by Ron Rich » Tue Jun 03, 2014 12:49 am

The part you want does not belong in a SQS-160--it was equipped with the alt. parts shown, in the circle, on the left.
If you want a cosmetic part--read the informational stickies above, and you're more likely to find it. Ron Rich

Who is online

Users browsing this forum: No registered users and 10 guests

It is currently Thu Oct 06, 2016 11:52 pm