by NewquaySurfer » Tue Mar 04, 2014 1:06 am
by Ron Rich » Tue Mar 04, 2014 2:05 am
by NewquaySurfer » Wed Mar 05, 2014 9:58 pm
by Ron Rich » Thu Mar 06, 2014 12:40 am
by ami-man » Thu Mar 06, 2014 12:42 pm
by Ron Rich » Thu Mar 06, 2014 5:41 pm
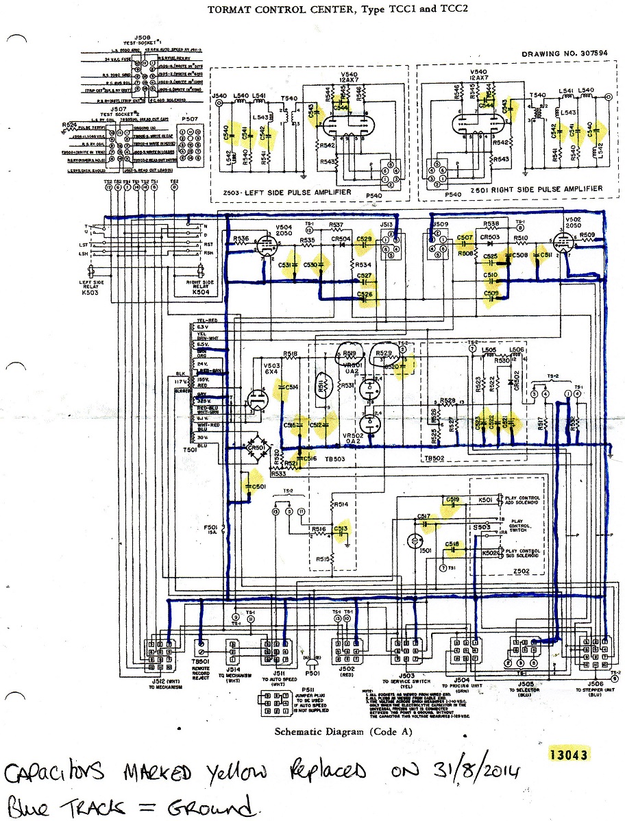
by NewquaySurfer » Mon Sep 08, 2014 11:55 pm
by Rob-NYC » Tue Sep 09, 2014 2:44 am
I know I also need to make sure that the record magazine, tormat, frog and detent are within tolance's. Once I've corrected these would this make the oa2 tubes/valves glow as they don't at the moment when the scanning?
by Ron Rich » Tue Sep 09, 2014 4:36 am
by NewquaySurfer » Tue Sep 09, 2014 8:40 pm
by Ron Rich » Tue Sep 09, 2014 9:15 pm
by NewquaySurfer » Tue Sep 09, 2014 9:34 pm
by Ron Rich » Wed Sep 10, 2014 12:32 am
by Rob-NYC » Wed Sep 10, 2014 9:06 am
by Ron Rich » Wed Sep 10, 2014 5:06 pm
Users browsing this forum: No registered users and 5 guests