Recap shfa5 amp

Q&A about all types of jukeboxes: Wurlitzer, Seeburg, Rock-Ola, AMI, and more.



Topic author
Joe_Blow
Junior Member
Posts: 24
Joined: Sun Dec 18, 2011 2:58 pm

Recap shfa5 amp

by Joe_Blow » Sun Dec 18, 2011 3:12 pm

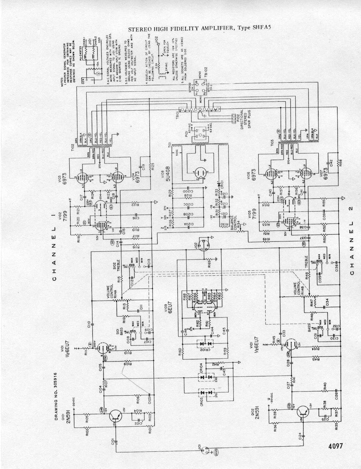
Hi, I am going to attempt to recap a shfa5 seeburg amp. Just wanted to double check something before I started. I understand the amp unlike the selector receiver is negative ground. If I run capacitors to ground from a b+ voltage, the negative lead of cap will be toward chassis ground. If I run a cap to ground from a b- voltage such as the negative voltages created by cr101, I put the positive lead of capacitor to ground correct? If I have that correct, any other tips you might suggest for this project?


Ron Rich
Forum Moderator
Posts: 8196
Joined: Sun May 06, 2007 11:31 pm
Location: Millbrae (San Francisco area)CA, USA

Re: Recap shfa5 amp

by Ron Rich » Sun Dec 18, 2011 6:38 pm

Joe,
I do not have the schematic handy today, but I do recall that the filter (cans) are NOT positive ground--
I think the AVC supply may be--just check the schematic, and put 'em in, the same way the old ones come out.
Also--change CR-1--use a 1N4004-- Ron Rich


Rob-NYC
Senior Member
Posts: 1844
Joined: Sun Sep 25, 2011 3:05 am
Location: Manhattan, NYC USA

Re: Recap shfa5 amp

by Rob-NYC » Sun Dec 18, 2011 10:45 pm

Ron-Joe the only electrolytic's that re positive-ground are the bias and preamp filters. In addition to Ron's advice about replacing CR102 which is the AGC rect, you may need to replace CR103&104 to get good AGC action and channel balance. As in the transistor amps these are selenium rects but unlike CR102, you'll need to replace each diode depicted in the symbol with -two diodes in series- to compensate for modern diodes' lower internal resistance.

Rob/NYC

PS: here is a schematic from Vern Tisdale's site: http://www.verntisdale.com/schem/shfa5.jpg
"If we believe absurdities, we shall commit atrocities" -- Voltaire


Topic author
Joe_Blow
Junior Member
Posts: 24
Joined: Sun Dec 18, 2011 2:58 pm

Re: Recap shfa5 amp

by Joe_Blow » Mon Dec 19, 2011 3:57 am

Thanks for the response guys. Rob I'm sorry to be a bone head, but I really don't want to make a mistake and fry something. The schematic resolution isn't good enough for an old geezer like me to make out the polarity signs at the main power supply. You refer to positive ground for preamp filter cap and bias voltage cap. Isn't that the negative voltage created by cr101 in the main power supply that I refereed to? I believe cr101 creates -33 volts for bias and -30 volts for the preamp supply. Since -33 and -30 are more negative than the chassis, shouldn't the caps have negative leads toward the -33 and -30 volts and positive toward chassis? I'm sorry for asking again, but I don't want to see any smoke.


Rob-NYC
Senior Member
Posts: 1844
Joined: Sun Sep 25, 2011 3:05 am
Location: Manhattan, NYC USA

Re: Recap shfa5 amp

by Rob-NYC » Mon Dec 19, 2011 5:04 am

"Positive-ground" means that the positive end of the cap goes to chassis (or other) ground. You are correct. The high voltage B+ caps are conventional negative ground.

Rob/NYC
"If we believe absurdities, we shall commit atrocities" -- Voltaire


Topic author
Joe_Blow
Junior Member
Posts: 24
Joined: Sun Dec 18, 2011 2:58 pm

Re: Recap shfa5 amp

by Joe_Blow » Mon Dec 19, 2011 5:25 am

One other recap question. This is probably blaspheme to those of you that respect your old jukeboxes and want them to look wonderful, but is it ever done that instead of cleaning off the posts and replacing the old caps with new ones just like a factory install, clipping the leads of the original cap and soldering to the remaining stub leads. I wasn't considering doing this just out of laziness, but have thought there might be less danger of damaging a soldering post or other components by trying to completely remove the original. Just a thought I guess.


Rob-NYC
Senior Member
Posts: 1844
Joined: Sun Sep 25, 2011 3:05 am
Location: Manhattan, NYC USA

Re: Recap shfa5 amp

by Rob-NYC » Mon Dec 19, 2011 5:51 am

Joe, I've done it both ways. Where possible i remove all traces of the old leads. There are cases, especially with on-location repairs when i just clip of the old component, scrape the remaining wire clean and solder the new one on. Those tube socket lugs are delicate and if you have any doubt, do it the safe way.

Rob
"If we believe absurdities, we shall commit atrocities" -- Voltaire


Topic author
Joe_Blow
Junior Member
Posts: 24
Joined: Sun Dec 18, 2011 2:58 pm

Re: Recap shfa5 amp

by Joe_Blow » Mon Dec 19, 2011 6:14 am

Thanks much Rob and Rich. You have been a great help to me. I feel better now about going into this.


Topic author
Joe_Blow
Junior Member
Posts: 24
Joined: Sun Dec 18, 2011 2:58 pm

Re: Recap shfa5 amp

by Joe_Blow » Mon Dec 19, 2011 6:30 am

Oops I meant thanks Rob and Ron.


Ron Rich
Forum Moderator
Posts: 8196
Joined: Sun May 06, 2007 11:31 pm
Location: Millbrae (San Francisco area)CA, USA

Re: Recap shfa5 amp

by Ron Rich » Mon Dec 19, 2011 5:37 pm

Joe,
I remove the old wires 98% of the time. There are a few exceptions, such as when the are "a million" wires connected to a terminal strip, or always, on a relay terminal post, as they tend not to like any "strain" being applied -- Ron Rich

Who is online

Users browsing this forum: highriverguy and 11 guests

It is currently Thu Oct 06, 2016 9:55 pm