Extenstion speaker question

Q&A about all types of jukeboxes: Wurlitzer, Seeburg, Rock-Ola, AMI, and more.



Topic author
SteveFury
Regular Member
Posts: 99
Joined: Wed Aug 21, 2013 7:21 am
Location: Atlanta,Ga,USA

Extenstion speaker question

by SteveFury » Tue Sep 02, 2014 5:35 pm

I have an AY160. I forgot the audio amp's model number but it is original to the machine. The jukebox also has the original red pair of internally mounted speakers connected through the network unit.

I would like to add more dynamic range by adding a pair of extension speakers. I noticed the manual shows the Seeburg brand extension speakers have a (What I believe to be) an impedence matching transformer within each speaker.

Lacking this coupling transformer, what should the impedence of my extenstion speakers be without causing abnormal (or rapid) wear to my amplifier's output tubes? I have a pair of infinity bookshelf speakers I'd love to connect. They are only 4 ohm apiece and I believe they will probably exceed my amp's 20 watt limit at reasonably higher volume levels.

I'd like to end up with the AY160's internal speakers acting as a sub through the network, and a pair of full range bookshelf speakers mounted for better A-B channel separation.

Any suggestions are appreciated.


Ron Rich
Forum Moderator
Posts: 8196
Joined: Sun May 06, 2007 11:31 pm
Location: Millbrae (San Francisco area)CA, USA

Re: Extenstion speaker question

by Ron Rich » Tue Sep 02, 2014 6:10 pm

Steve,
This question can not be answered with out the model number of the phonograph, if the "original", amp is installed, or at least the model number of the amp installed. Your "I & O manual" can answer this, if the original amp is, indeed installed. Ron Rich


Rob-NYC
Senior Member
Posts: 1844
Joined: Sun Sep 25, 2011 3:05 am
Location: Manhattan, NYC USA

Re: Extenstion speaker question

by Rob-NYC » Tue Sep 02, 2014 6:52 pm

Steve, if you are going to connect externals at voice coil impedance (no tran) what tap you use depends on the impedance of the machine speakers. If they are the typical 16 ohm then a 4 ohm speaker connected to a given wattage on that amp will attempt to draw four times that amount.

There is another factor here: Efficiency. It is inevitable that the cabinet speakers will be more efficient than small externals.

In commercial situation I try to avoid using existing speaker installations if they are not powered by external P.A..

What you might try here is the classic 'volume control tap" to feed an external power amp. The two issues here are; you would want to connect to the arm of the machine volume control so that all speakers vary in level together. Another factor is that these later amps eliminated the low-impedance feed to use with an external volume control (RVC) instead they used a motorized control and the audio never leaves the amp itself.

This makes for a cheaper design -but means that any external connections must be kept short to avoid losing whatever high frequency response exists. This is due to the capacitance of the cables being introduced. If you use low capacitance cables such as those for TV distribution (RG 59) you can extend this a bit more. For standard audio cable, I'd keep the run at 6ft or less.

Even with these complications, an external power amp is the best for incorporating regular stereo speakers here.

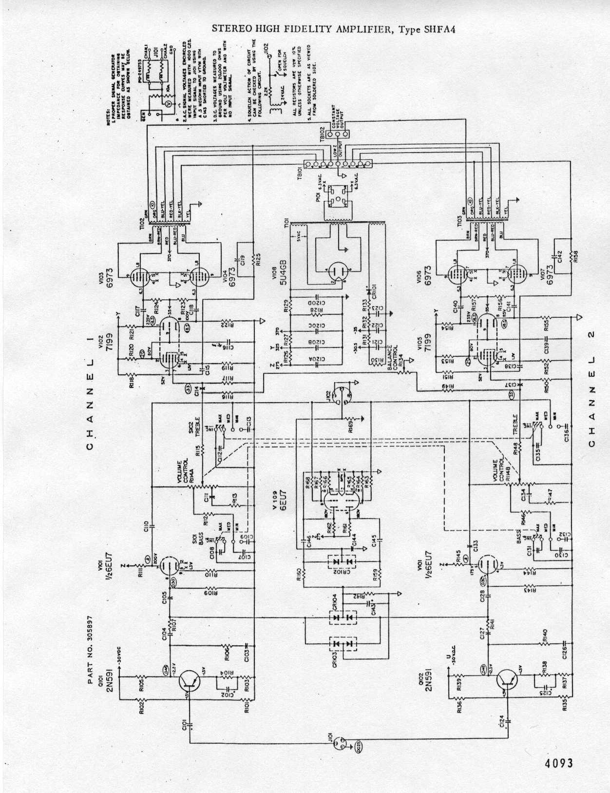
Here is a schematic for the amp that is -likely- in your machine:
http://www.verntisdale.com/schem/shfa4.jpg -BTW: Has it been rebuilt?


Rob/NYC
"If we believe absurdities, we shall commit atrocities" -- Voltaire


Topic author
SteveFury
Regular Member
Posts: 99
Joined: Wed Aug 21, 2013 7:21 am
Location: Atlanta,Ga,USA

Re: Extenstion speaker question

by SteveFury » Tue Sep 02, 2014 7:36 pm

Thank you for the replies.
My amp is SHFA4 See the pic). I serviced it about a year ago... all new electrolytics and replaced all resistors which were found out of specs as well as power supply resistors. The amp itself sounds fantastic, however I believe the dynamic range and channel separation is very limited by the single pair of 12" red speaker cabinets.

I consulted the manual a while back regarding impedence... and unless I missed something it only explained moving the Seeburg external speaker jumpers so not to exceed 20W from each channel.

The external amp connected to the volume wipers are an excellent tip. It's easily done and I think that is the avenue I should pursue. The internal speakers would still produce that warm SHFA4 sound and I'd have the dynamic range and separation I desire.

I have a wall-mounted video-based jukebox (10" Android tablet with mp3's) which feeds a 30W solid state amp. I could keep the cable length to minimum and switch between the AY160 and tablet on the amp. Perfect, I think.

Thanks, both of you! :)
Attachments
SHFA4.jpg
Serviced SHFA4
SHFA4.jpg (117.99 KiB) Viewed 544 times


Rob-NYC
Senior Member
Posts: 1844
Joined: Sun Sep 25, 2011 3:05 am
Location: Manhattan, NYC USA

Re: Extenstion speaker question

by Rob-NYC » Wed Sep 03, 2014 4:31 am

Steve, there is one potential problem in using a modern amp connected to the volume control in this machine.
A lot of newer electronics have input impedance which is too low and can cause reactance in the coupling capacitors preceding it(C110 & C133). This causes a reduction in bass, possibly in level too.

Since these two caps are spec'd at .05mfd and the volume pot already represents a 1 megohm load, it is desirable that the amp added have an impedance of 500K-Ohm or more. Alternately, you might increase the two caps from .05 to .1 or greater. Seeburg seems to tightly spec their couplers both to keep costs down and roll-off deep bass that the speakers can't handle. I routinely increase values in areas such as this -where they are not in a feedback loop.

Rob
"If we believe absurdities, we shall commit atrocities" -- Voltaire


Topic author
SteveFury
Regular Member
Posts: 99
Joined: Wed Aug 21, 2013 7:21 am
Location: Atlanta,Ga,USA

Re: Extenstion speaker question

by SteveFury » Mon Feb 02, 2015 3:20 am

I have an update!
I finally had time to complete this extension speaker project.
I bought a cheap ($4) Chinese 15wpc stereo amp from someone on eBay. It came complete except I soldered a pair of short coax to RCA jacks to it.
I made a plate for the AY-160 amp to fit over the volume control hole and put a couple panel mount RCA jacks. These panel mount jacks go through a .01uf cap onto the AY-160 volume control wipers.

I fabricated a mount for the cheap Chinese amp and attached it to the stepper receiver cover.
Power supply is a 19v 2a old laptop switching supply which is just laying on the bottom cabinet board next to the coin mech.

Works awesome, thanks again for all the tips here.
20150201_182701.jpg
20150201_182701.jpg (418.2 KiB) Viewed 392 times

20150201_190550.jpg
20150201_190550.jpg (353.17 KiB) Viewed 392 times

Who is online

Users browsing this forum: Ron Rich and 6 guests

It is currently Thu Oct 06, 2016 10:17 pm