NSM Cossulette help please

Q&A about all types of jukeboxes: Wurlitzer, Seeburg, Rock-Ola, AMI, and more.



Topic author
xrayrox
Junior Member
Posts: 1
Joined: Fri Apr 13, 2012 5:21 am

NSM Cossulette help please

by xrayrox » Thu Apr 19, 2012 4:58 am

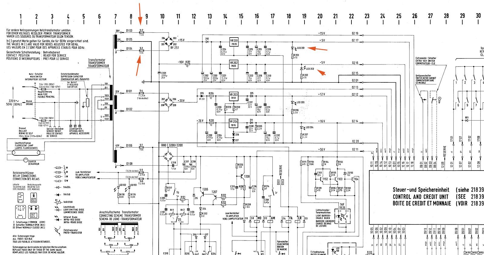
Ok guys so bear with me I am new to the world of jukeboxes but I have an arcade video game and a few old em games so not totally foreign to the world of fix it yourself electronics. I have a newly acquired, non working, NSM Consulette jukebox that plays 45's that I would like to fix up, I thinks its from the early 80s. I picked it up for super cheap when I was buying a different arcade game, It was cheap so I couldn't say no. It has been stored in a basement for the past 15-20 years and the base needs replaced, just easy woodwork. I have a service manual and it says it has ES II technology, what ever that means? So anyway, two fuses on the main board (CENTRE) keep blowing right away when I power up, fuses Si 2 and Si 3. When I replace the fuses the +5 watt and -5 watt led's light up for a second while the two fuses are blowing then they go off. Where do I start? Is there some common problem that I should start with that will cause this? What do these fuses control? I was messing around with the relays and got the carriage to move back and forth, not sure if that info helps? Thanks in advance for any and all help / information

Don


Hildegard
Regular Member
Posts: 88
Joined: Sat Jun 06, 2009 7:14 pm
Location: Germany

Re: NSM Cossulette help please

by Hildegard » Thu Apr 26, 2012 6:34 pm

Hi Don,

ES II was the second version of NSM ES technology. The ES II manual itself is for various NSM models because it describes the ES II technology in general.
If your Consulette is also equipped with ES II technology it must be model Consulette Combi built in ca. 1983/84:
http://www.jukebox-world.de/Forum/Archi ... ompact.htm

I cannot give advise on what to do first. But I scanned part of the large electrical scheme for this model where you can see fuse Si 2and Si 3 and the LEDs you mention.
Maybe you need to check the main transformer with secondary voltage and the recifier BY251.

I hope this helps.

Hildegard
Attachments
ES-II_Elektroplan-Auszug_72.jpg
Electrical Scheme Consulette Combi - part
(268.92 KiB) Not downloaded yet

Who is online

Users browsing this forum: Google [Bot] and 3 guests

It is currently Thu Oct 06, 2016 10:24 pm